半導體光放大器(SOA)係(xì)列產品,主要應用於1550nm波長的(de)光放大(dà),能顯著提高輸出光功率。
自有SOA芯片,全工藝自主可控。
單模版本
保偏版本
接頭可定製(zhì)
自有SOA芯(xīn)片,全工藝(yì)自主可控(kòng)。
|
參數 |
符號 |
工作條件 |
最小值 |
典型值 |
最大值 |
單位 |
|
工作波長 |
λ |
- |
1480 |
1515 |
1590 |
nm |
|
帶寬 |
Δλ |
@-3dB |
50 |
55 |
- |
nm |
|
ASE紋波 |
Ripple |
If=250mA |
- |
- |
1 |
dB |
|
飽和光功率 |
Psat |
If=250mA |
12 |
- |
16 |
dBm |
|
飽和光功率(保偏) |
Psat |
If=250mA |
11 |
- |
15 |
dBm |
|
小信號增益 |
G |
If=250mA,Pin=-25dBm |
25 |
- |
30 |
dB |
|
工作電(diàn)流 |
If |
- |
- |
250 |
400 |
mA |
|
正向電壓 |
Vf |
- |
- |
- |
1.8 |
V |
|
消光比1 |
ER1 |
If=250mA/If=0mA Pin=0dBm |
- |
50 |
- |
dB |
|
消光比2 |
ER2 |
If=250mA/If=-0.4mA Pin=0dBm |
- |
65 |
- |
dB |
|
TEC電(diàn)流 |
ITEC |
- |
- |
- |
1.8 |
A |
|
TEC電壓 |
VTEC |
- |
- |
- |
3.4 |
V |
|
偏振相關(guān)增益 |
PDG |
- |
- |
1.5 |
2 |
dB |
|
熱敏電阻(zǔ)阻值 |
Rtherm |
T=25℃ |
9.5 |
10 |
10.5 |
KΩ |
|
熱敏電阻電流 |
Itherm |
--- |
- |
- |
5 |
mA |
|
氣密性1 |
- |
T=25℃ |
1*10-12 |
1*10-11 |
1*10-8 |
Pa.m3/s |
|
工作溫度(dù) |
TC |
I=Iop |
-10 |
- |
70 |
℃ |
|
存儲溫度 |
Tstg |
- |
-40 |
- |
85 |
℃ |
|
總(zǒng)功耗 |
P |
- |
- |
- |
4 |
W |
注1:氣密性(xìng)數值為管殼封裝數值,排除管殼外部殘留幹擾測試得出。
|
典(diǎn)型特性 |
|
|
|
|
|
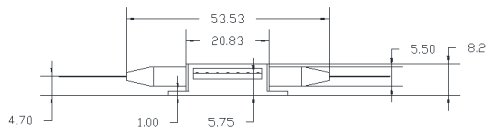
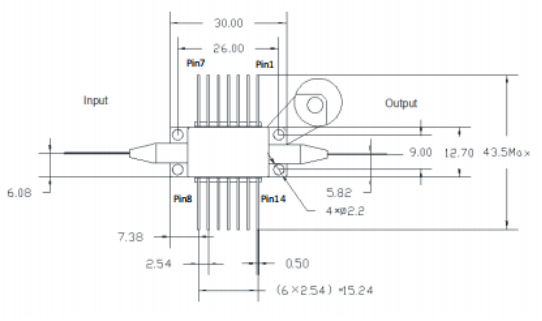
結構尺寸(cùn)和管腳定義 |
|
|
|
|
|
|
|
|
訂貨信息 |
產品描述 |
|
SOA-1550-15-G25-SM-FA |
1550nm波段-15dBm飽和輸出功率-25dB增益-蝶形封裝-單模尾纖-FC/APC接頭 |
|
SOA-1550-15-G25-PM-FA |
1550nm波段-15dBm飽和輸出功率-25dB增益-蝶(dié)形封裝(zhuāng)-保偏光纖-FC/APC接頭 |
更多產品信息(xī),需求信息,請聯係蘇州国产嫩草影院在线观看88科技有限公司相關銷售人員獲取,谘詢(xún)電話:0512-62828421,谘詢郵箱:sales@ncdgl.com !
