蘇州波弗(fú)光電科技有限(xiàn)公司供應的(de)PD-90是(shì)一款90GHz(107 Gbit/s)帶寬的高速無需偏(piān)置光電探測器(通過後續檢測提供偏置,如:DEMUX 驅(qū)動,無需偏置電壓),設計主要用於(yú)數字通信、數據傳輸係統,DEMUX,RZ格式(107 Gbit/s),工作波長1480-1620nm。

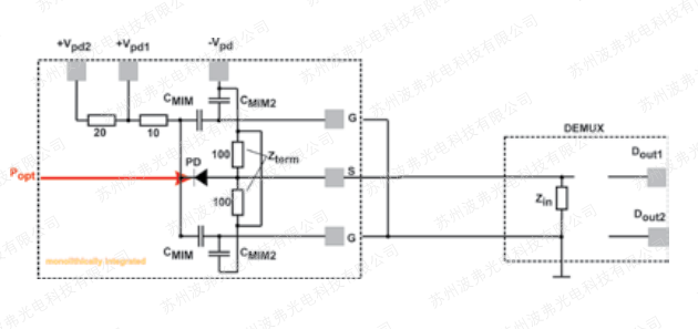
PD-90 | 結構設計

S21帶寬 | 脈(mò)衝測試 | RZ信號眼圖
| 主要性能參數 | |
| PD-90 | 參數值 |
| 工作波長 | 1480nm-1620nm |
| 3dB帶寬 | 90GHz(107 Gbit/s) |
| 脈寬 | 7.3ps |
| 靈敏度 | ~0.53A/W@1550nm |
| PDL | <0.4dB |
| 線性功(gōng)率 | 12dBm(@1dB壓縮點) |
| 暗電流 | <100nA@3V |
| RF連(lián)接器 | 1.0mm Female連接器 |
| 輸出(chū)阻抗 | 50Ω |
| 光回損 | >27dB |
| 光纖(xiān) | SMF-Fiber |
| 光接頭 | FC/APC |
| 帶寬,脈衝性能,眼圖測試(shì)參考上述曲線。 | |
| 更多詳細信息,聯係蘇州(zhōu)波弗光(guāng)電科技有限公司相關銷售(shòu)人員獲取。 | |
